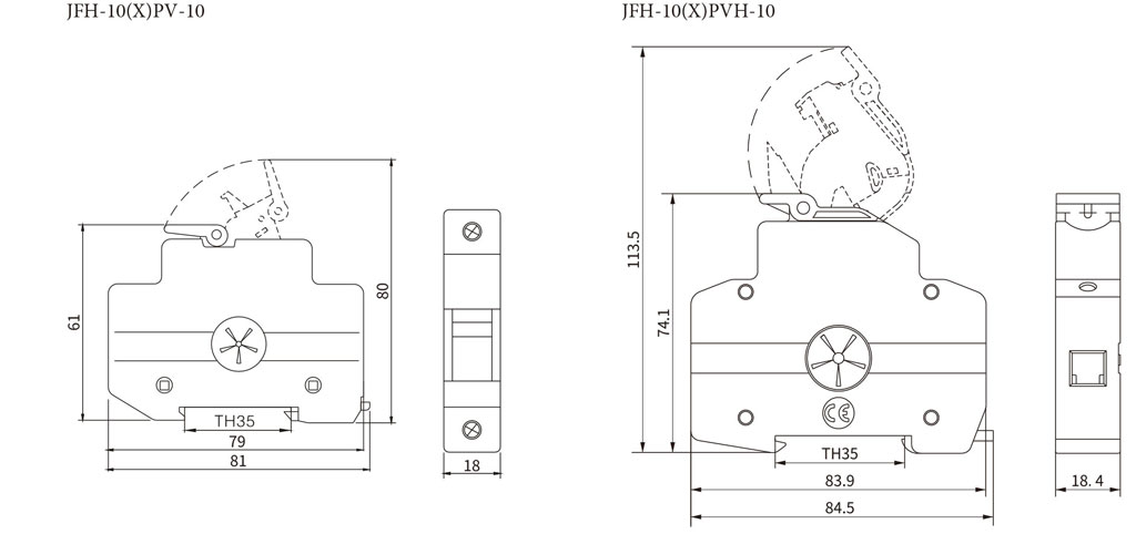
Fuse Holder and Fuse link for PV System
Fuse Holder and Fuse link for PV System
Typically used in DC combiner box or energey storage systems for switching on and switching off DC circuit.JDENY's JFH series DC fuse are cost-effective and high-quality solutions for your brand.







